OAnel de deslizamento da cápsula é um dispositivo de transmissão avançado e altamente confiável projetado para facilitar a transferência de dados e potência sem problemas e contínua em sistemas rotativos. Consiste em um conjunto compacto e encapsulado que abriga uma série de contatos ou escovas chapadas em ouro, que deslizam contra um anel condutor ou cilindro à medida que ele gira.
Os contatos dentro do anel deslizante da cápsula são projetados com precisão para garantir o mínimo desgaste e atrito, permitindo uma transmissão suave e consistente de sinal e potência ao longo de uma vida útil prolongada. Estes contatos são tipicamente feitos de materiais duráveis que podem suportar altas velocidades, temperaturas e várias condições ambientais.

Uma das principais vantagens do Anel de deslizamento da cápsula é o seu design compacto e encapsulado. Esta característica não só protege os componentes internos da sujeira, umidade e outros contaminantes, mas também permite uma fácil integração em vários sistemas mecânicos. A encapsulação também fornece um grau de resistência a choques e vibrações, tornando o anel de deslizamento da cápsula adequado para uso em ambientes industriais agressivos.
O anel de deslizamento da cápsula encontra aplicações em uma ampla gama de indústrias, incluindo aeroespacial, robótica, automação e equipamentos médicos. É comumente usado em sistemas que exigem rotação contínua, mantendo a conectividade elétrica, como gimbals, braços robóticos e dispositivos de imagem médica. A capacidade de transmitir dados e energia de forma confiável através de uma interface rotativa abre novas possibilidades para projetos mecânicos inovadores e complexos.
Desenhos do produto

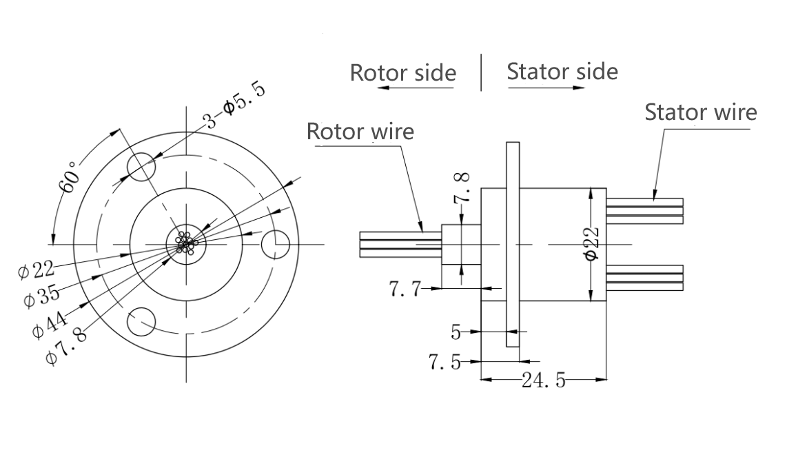
Anel de deslizamento da cápsula RC12-F
Montagem do anel de deslizamento da cápsula
O conjunto do anel deslizante da cápsula é um sistema completo que inclui o anel deslizante encapsulado, o hardware da montagem, e todos os conectores ou cabos necessários. Este conjunto é projetado para fácil instalação e integração em máquinas ou equipamentos existentes. O conjunto garante que o anel deslizante esteja firmemente montado e alinhado, permitindo o desempenho e a confiabilidade ideais.
Anel de deslizamento de cápsula para robótica
O anel deslizante cápsula para robótica foi projetado especificamente para atender aos requisitos exigentes de sistemas robóticos. Oferece transmissão de dados de alta velocidade e capacidades robustas de manuseio de energia, tornando-se uma escolha ideal para braços robóticos, manipuladores e outros componentes rotativos. O design compacto e o encapsulamento fornecem proteção adicional contra poeira e detritos, garantindo desempenho confiável em ambientes industriais agressivos.
Anel de deslizamento de cápsula de alta velocidade
O anel de deslizamento de cápsula de alta velocidade é projetado para aplicações que exigem transmissão de dados ultra-rápida e manuseio de sinal de alta frequência. Utiliza materiais avançados e técnicas de engenharia para garantir perda mínima de sinal e largura de banda máxima, tornando-o adequado para aplicações de alto desempenho, como sistemas aeroespaciais e de defesa. O anel de deslizamento de alta velocidade também oferece excelente durabilidade e confiabilidade, mesmo em velocidades de rotação extremas.
Anel de deslizamento da cápsula industrial
O Anel de deslizamento da cápsula industrial é uma solução robusta e confiável para aplicações industriais que exigem rotação contínua e conectividade elétrica. Ele é construído para suportar condições ambientais duras, incluindo altas temperaturas, vibrações e contaminantes. O anel de deslizamento industrial oferece capacidades robustas de transmissão de energia e sinal, tornando-o um componente essencial em sistemas de automação e fabricação.
Anel de deslizamento compacto da cápsula
O anel de deslizamento compacto da cápsula é projetado para aplicações onde o espaço é limitado. Oferece o mesmo desempenho e funcionalidade confiáveis que anéis de deslizamento maiores, mas em um pacote mais compacto e leve. Isso o torna uma escolha ideal para uso em pequenos sistemas robóticos, dispositivos médicos e outras aplicações com espaço limitado. O design compacto não compromete a durabilidade ou a confiabilidade, garantindo um desempenho consistente mesmo em ambientes desafiadores.